云顶国际yd333(中国)有限公司
中文版
|
ENGLISH
|
微信
首页
热轧
带材
板卷
冷轧
压延
板卷
制管
管
制品
制品
装饰
加工
第一资讯
行业动态
财经信息
供求信息
会展信息
政策法规
行业标准
基础知识
商情世界
实时行情
价格行情
统计数据
区域之窗
佛山地区
揭阳地区
肇庆地区
潮州地区
江门地区
中山地区
广州地区
阳江地区
关于协会
协会简介
领导成员
协会章程
分支机构
组织架构
选举制度
理(监)事成员
协会公众号
会员专区
会员推荐
会员专访
会员新闻
品牌推荐
招聘发布
协会会刊
资料下载
入会指南
当前位置:
首页
>
第一资讯
>
行业标准
最新通知
广东省不锈钢材料与制品协会第三届理(监)事候选人 名单公示
广东省不锈钢材料与制品协会第三届领导班子候选人名单公示
广东省不锈钢材料与制品协会迁址公告
《不锈钢穿线套管及配件》公开征求意见
广东省不锈钢材料与制品协会新增会员公告
关于广东省不锈钢材料与制品协会成立换届工作领导小组、选举监督委员会的公告
关于召开广东省不锈钢材料与制品协会二届八次理事会议的通知
关于举办“不锈钢行业数字化营销及数智化生产实战应用”交流会的通知
《不锈钢热水管道安装技术规程》标准发布
关于举办不锈钢行业首席质量官培训班的通知
第一资讯
行业动态
财经信息
供求信息
会展信息
政策法规
行业标准
基础知识
行业标准
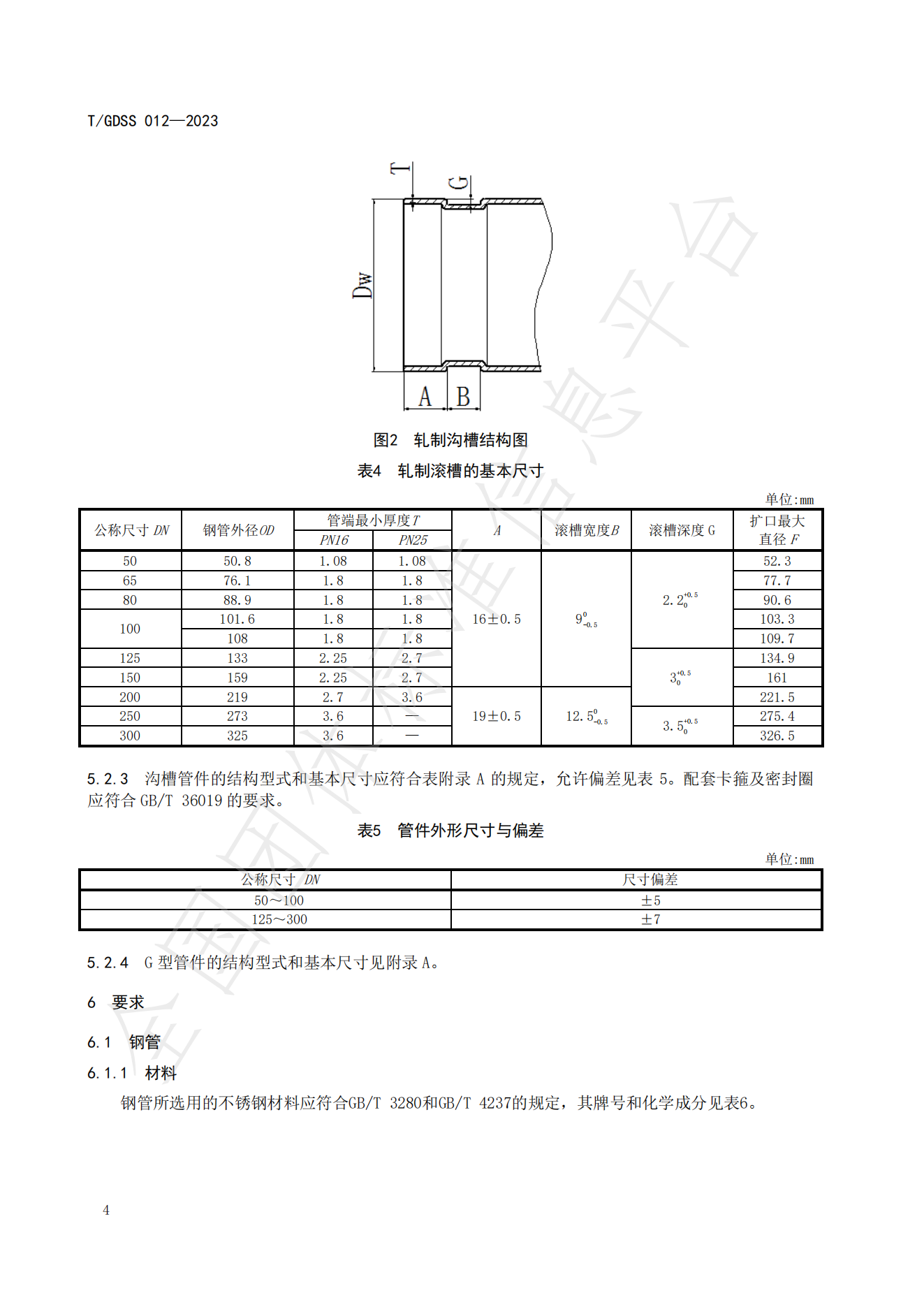
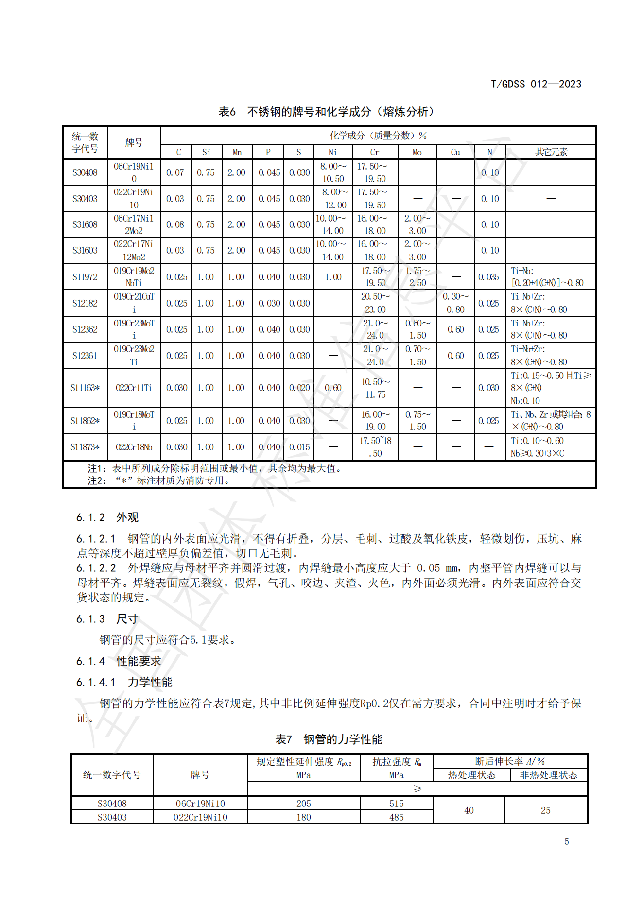
《不锈钢管及沟槽式管件》团体标准正式发布
上一篇:
《环压连接燃气管道工程技术规程》公开征求意见
下一篇:
返回列表